Dimensions et tolérances selon la norme EN 612
Crochet de gouttière |
Longueur [mm] |
Différence par rapport à la longueur standard [mm] |
|
Crochet de gouttière 250 |
335 |
||
Crochet de gouttière 250 (court) |
287 |
- |
48 |
Crochet de gouttière 280 |
347 |
||
Crochet de gouttière 280 (court) |
297 |
- |
50 |
Crochet de gouttière 280 (long) |
445 |
+ |
98 |
Crochet de gouttière 333 |
383 |
||
Crochet de gouttière 333 (court) |
312 |
- |
71 |
Crochet de gouttière 333 (long) |
473 |
+ |
90 |
Crochet de gouttière 400 |
452 |
Crochet de gouttière carrée |
Longueur [mm] |
Crochet de gouttière carrée 250 |
325 |
Crochet de gouttière carrée 333 |
370 |
Crochet de gouttière carrée 400 |
435 |
Crochet de gouttière carrée 500 |
455 |
Crochet de larmier |
Longueur [mm] |
Crochet de larmier 250 |
135 |
Crochet de larmier 280 |
139 |
Crochet de larmier 333 |
154 |
Crochet de larmier pour gouttière carrée |
Longueur [mm] |
Crochet de larmier pour gouttière carrée 250 |
130 |
Crochet de larmier pour gouttière carrée 333 |
145 |
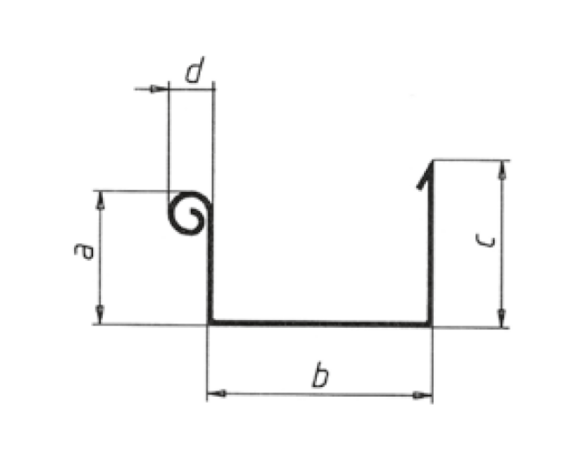
Développement |
Face endroit a |
Face envers c |
Gouttière e |
Boudin d |
250 (8 parties) |
61 |
72 |
110 |
19 |
280 (7 parties) |
67 |
78 |
126 |
19 |
333 (6 parties) |
87 |
98 |
153 |
19 |
400 (5 parties) |
110 |
121 |
192 |
19 |
Dimensions en mm
Développement |
Face endroit a |
Face envers c |
Gouttière e |
Boudin d |
250 (8 parties) |
54 |
63 |
86 |
19 |
333 (6 parties) |
75 |
93 |
120 |
19 |
400 (5 parties) |
92 |
113 |
150 |
19 |
500 (4 parties) |
114 |
142 |
200 |
19 |
Dimensions en mm
Équerre de gouttière demie-ronde 90° (angle sortant) |
Longueur [mm] |
Équerre de gouttière 250 |
300 |
Équerre de gouttière 280 |
300 |
Équerre de gouttière 333 |
300 |
Équerre de gouttière 400 |
340 |
équerre de gouttière 90° (angle rentrant) |
Longueur [mm] |
Équerre de gouttière 250 |
300 |
Équerre de gouttière 280 |
300 |
Équerre de gouttière 333 |
300 |
Équerre de gouttière 400 |
340 |
Équerre de gouttière carrée 90° (angle sortant) |
Longueur [mm] |
Équerre de gouttière carrée 250 |
300 |
Équerre de gouttière carrée 333 |
300 |
Équerre de gouttière carrée 400 |
300 |
Équerre de gouttière carrée 500 |
370 |
Équerre de gouttière carrée 90° (angle rentrant) |
Longueur [mm] |
Équerre de gouttière carrée 250 |
300 |
Équerre de gouttière carrée 333 |
300 |
Équerre de gouttière carrée 400 |
300 |
Équerre de gouttière carrée 500 |
350 |
Seul le contenu d'une catégorie de produits peut être téléchargé. Si vous avez besoin du contenu de plusieurs catégories, veuillez créer un téléchargement séparé pour chaque gamme de produits.